Analog Devices Inc. ADP5014 Integrierte Leistungslösung
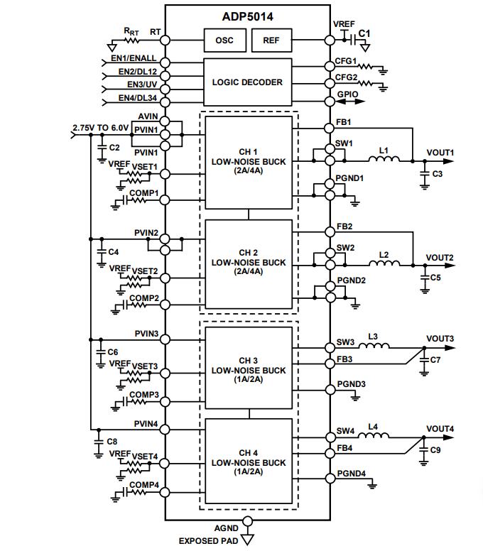
Analog Devices ADP5014 Integrierte Leistungslösung mit vier leistungsstarken, rauscharmen Abwärtsreglern. Aufgrund ihres niedrigen Ausgangsrauschens (~25 μ Vrms bei VOUT ≤ VREF), ermöglichen die Abwärtsregler das Einschalten von rauschempfindlichen Signalkettenprodukten. Jeder Kanal des ADP5014 enthält High-Side- und Low-Side-Leistungs-MOSFETs. Kanal 1 und Kanal 2 bieten einen programmierbaren Ausgangsstrom von 2 A oder 4 A. Kanal 3 und Kanal 4 des ADP5014 verfügen über einen programmieren Ausgangsstrom von 1 A oder 2 A. Durch die Kombination von Kanal 1 und Kanal 2 oder Kanal 3 und Kanal 4 in paralleler Konfiguration wird eine Einzelausgabe mit bis zu 8 A bzw. 4 A ermöglicht. Entwickler können die Schaltfrequenz des ADP5014 programmieren oder synchronisieren, um einen externen Takt von 500 kHz bis 2 MHz zu erhalten. Der ADP5014 bietet zwei Aktivierungs-Modi. Der manuelle Modus hat vier individuelle Präzisionsfreigabepins, um jeden einzelnen Regler manuell zu aktivieren. Alternativ dazu verfügt der Sequenzmodus über ein gruppiertes Präzisionsfreigabesignal mit programmierbaren Einschalt- und Ausschalt-Verzögerungstimern auf jeder Schiene für spezifische Anforderungen von Schienensequenzen.Merkmale
- Eingangsspannungsbereich: 2,75 V bis 6 V
- Programmierbarer Ausgangsspannungsbereich: 0,5 V bis 0,9 × PVINx
- Geringes Ausgangsrauschen: ~25 μVrms bei VOUT ≤ VREF
- ±1,0 % Ausgangsgenauigkeit über den vollen Temperaturbereich
- 500 kHz bis 2,5 MHz anpassbare Schaltfrequenz
- Leistungsregelung
- Kanal 1 und Kanal 2: Programmierbare 2 A/4 A synchrone Abwärtsregler oder 8 A parallel-schaltender Einzelausgang
- Kanal 3 und Kanal 4: Programmierbare 1 A/2 A synchrone Abwärtsregler oder 4 A parallel-schaltender Einzelausgang
- Flexibler parallel-geschalteter Betrieb
- Präzisionsfreigabe mit 0,6 V exaktem Schwellenwert
- Manueller oder Sequenzmodus für die Einschalt- und Ausschaltsequenz
- Einstellbarer FPWM- oder PSM-Betriebsmodus
- Präziser Unterspannungskomparator
- Eingang oder Ausgang für Frequenzsynchronisierung
- Aktiver Ausgangsentladungsschalter
- Power-Good-Flag auf ausgewählten Kanälen über Werkssicherung
- UVLO-, OVP-, OCP- und TSD-Schutz
- 40-Pin-Gehäuse von 6 mm × 6 mm
- Sperrschichttemperaturbereich: -40 °C bis +125 °C
Applikationen
- HF-Transceiver, Hochgeschwindigkeits-Analog-Digital-Wandler (ADC)/Digital-Analog-Wandler (DAC), Mischsignal-ASIC
- FPGA- und Prozessorapplikationen
- Sicherheit und Überwachung
- Medizinische Applikationen
Typische Applikations-Schaltung
Modellierung und Steuerung für einen Strommodus-Abwärtswandler mit einem sekundären LC-Filter
Ein modernes Signalverarbeitungs-Systemdesign mit ADCs, PLLs, HF-Transceivern erfordert einen geringeren Stromverbrauch und höhere Systemleistung. Die Auswahl der richtigen Stromversorgung für rauschempfindliche Bauteile ist immer die größte Herausforderung für Designer. Dabei muss in jedem Fall ein Kompromiss zwischen hohem Wirkungsgrad und hoher Leistungsfähigkeit gefunden werden.
Veröffentlichungsdatum: 2017-10-31
| Aktualisiert: 2022-04-28
