NXP Semiconductors FXPS71407x Fahrzeugsicherheits- Drucksensoren

NXP Semiconductors  FXPS71407x Fahrzeugsicherheits- Drucksensoren werden unter Verwendung des proprietären MEMS Sensor Technologie von NXP entwickelt, gekoppelt mit einem Signalkonditionierung digitalen integrierter Schaltkreis (IC) in einem QFN 4 mm x 4 mm x 1,98 mm Paket. Die Architektur profitiert von redundanten Druckmessumformern als erweitertes Qualitätsmaß. Es stehen zwei Druckbereichsoptionen zur Verfügung: 40 kPa bis 132.8kPa und 50.9kPa bis 126.5kPa. Die FXPS71407x Sensoren unterstützen benutzerkonfigurierbare DSI3- und PSI5-Schnittstellen und betten ein Digitales Signal Prozessor (DSP) mit digitaler Tiefpassfilterung ein.

Die FXPS7140x Produktfamilie ist vollständig nach AEC-Q100 bis +125 °C qualifiziert und erfüllt die Anforderungen der AK LV 29. Das Gehäuse verfügt über benetzbare Flanken zur Lötzinn. Die FXPS7140x Sensoren wurden gemäß der ISO26262 2011-Ausgabe entwickelt und können in Systemen bis ASIL D eingesetzt werden.

Merkmale

  • Überprüfbare Lötzinn /benetzbare Flanken
  • Es stehen zwei Druckbereichsoptionen zur Verfügung
    • 40 kPa in 132.8kPa
    • 50.9kPa bis 126.5kPa
  • Redundante Drucksensoren
  • Kapazitäts-Spannungs Wechselrichter mit Anti-Aliasing-Filter
  • Sigma-Delta-Analog-Digital-Wechselrichter (ADC) plus Sinc-Filter
  • Unterstützt benutzerkonfigurierbare DSI3- und PSI5-Schnittstellen und integriert einen DSP mit digitalem Tiefpassfilter
  • Wählbarer 370 Hz 2-pole oder 400 Hz 3-pole und 4-pole 80 Hz 1.000 Hz Tiefpassfilter für Absolutdruck
  • 0,16 Hz 1-pole LPF für P0-Wert
  • 10-Bit-ΔP/P0-Ausgang
  • AEC-Q100-qualifiziert
    • Zertifiziert nach ISO26262, Revision 2011
    • Robustes Design für EMC und mechanische Handhabung
  • Selbsttest-Diagnose
  • Interne Selbsttests für Transducer und Signalkette
  • Betriebstemperaturbereich von -40 °C bis +125 °C
  • 16-poliges QFN-Paket 4 mm x 4 mm x 1,98 mm

Applikationen

  • Airbag- und Crash-Erkennung
    • Seitliche Crash-Erkennung
    • Fußgängerschutzsysteme
  • Erkennung von Einklemmschäden an Türen und Fenstern
  • Erkennung von Seitenaufprallen

Ressourcen

  • Datenblätter
    • FXPS71407BPS PSI5-kompatibler Relativdrucksensor
    • FXPS71407S DSI3- und PSI5-kompatibler Absolut- und Relativdrucksensor

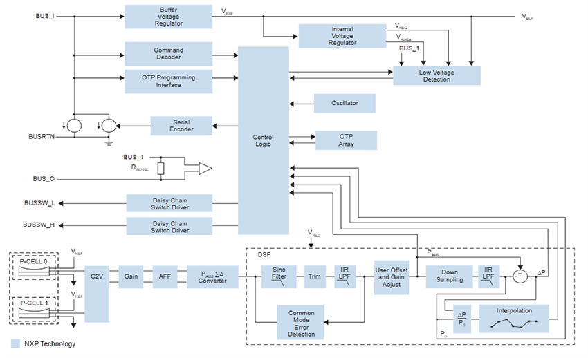
Blockdiagramm

Blockdiagramm - NXP Semiconductors FXPS71407x Fahrzeugsicherheits- Drucksensoren

FXPS7140x PSI5 Transceiver Diagramm

Blockdiagramm - NXP Semiconductors FXPS71407x Fahrzeugsicherheits- Drucksensoren

FXPS7140 DSI3 Applikation

Applikations-Schaltungsdiagramm - NXP Semiconductors FXPS71407x Fahrzeugsicherheits- Drucksensoren

FXPS7140 SPI Applikation

Applikations-Schaltungsdiagramm - NXP Semiconductors FXPS71407x Fahrzeugsicherheits- Drucksensoren
Veröffentlichungsdatum: 2025-08-05 | Aktualisiert: 2025-08-27